Трехходовой паровой котел P-3000 12 бар

Назначение: выработка насыщенного водяного пара.
Вид топлива: природный газ ГОСТ 5542, дизельное топливо ГОСТ 305.
Расчетный срок службы: 20 лет на природном газе.

Базовый комплект поставки: котел, экономайзер, эксплуатационная документация, дополнительная комплектация (по согласованию с заказчиком).
Характеристики
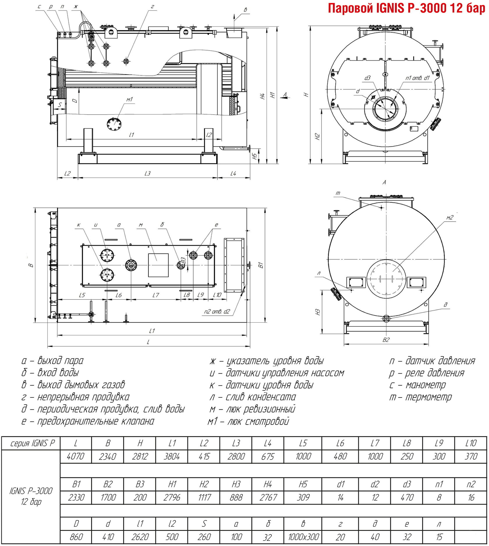
Габаритный чертеж
Сертификаты
Схема котла с обязкой

Характеристики

Вид топлива — Газ/дизель
Маркировка по ГОСТ/ ТУ — Ер-1,0-1,2 Г
Паропроизводительность, т/ч — 1,0
Теплопроизводительность, МВт — 0,7
Средний эксплуатационный КПД (газ), % - 88
Температура, °С
  • воды на входе в котел, не менее — 105
  • пара на выходе из котла, не более — 192
Рабочее давление воды, МПа, не более — 1,2
Гидравлическое сопротивление котла, кПа, не более — 4,8
Аэродинамическое сопротивление, Па, не более — 130
Номинальный расход воды через котел, м3/ч — 0,55
Температура дымовых газов на выходе из котла, °С — 180…280
Присоединительные размеры, мм
  • по водяному тракту, Ду — 32
  • газохода, D — 514×122
Водяной объем котла, м3 — 0,86
Габаритные размеры котла по легкой обмуровке, мм
  • длина — 3080
  • ширина — 1455
  • высота — 1714
Масса котла без воды, кг — 1880
Длина топочного пространства, мм — 1600
IGNIS Рr-500

Габаритный чертеж

Схема котла с обязкой

Made on
Tilda