Двухходовой паровой котел Pr-1500 12 бар

Назначение: выработка насыщенного водяного пара.
Вид топлива: природный газ ГОСТ 5542, дизельное топливо ГОСТ 305.
Расчетный срок службы: 20 лет на природном газе.

Базовый комплект поставки: котел, экономайзер, эксплуатационная документация, дополнительная комплектация (по согласованию с заказчиком).
Характеристики
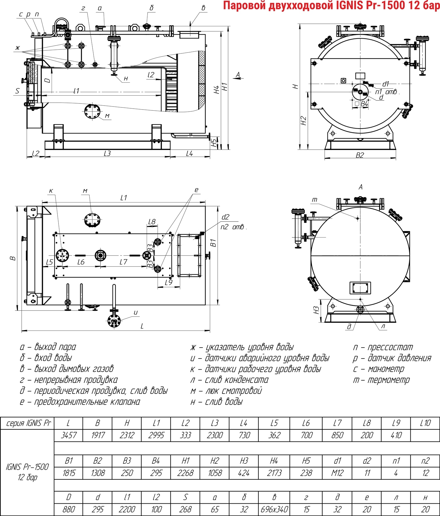
Габаритный чертеж
Сертификаты
Схема котла с обязкой

Характеристики

Габаритный чертеж

Схема котла с обязкой

Made on
Tilda