Водогрейный котел (пиролизный КВп) - 0,3WT

Мощность: 0,3WT

Топливо: твердое топливо

Автоматическая газовая горелка
Микропроцессорный менеджер горения
Давление подключения газа: 15-50 мбар

Отличительные преимущества:
  • высокая эксплуатационная готовность и надежность
  • быстрая окупаемость
  • быстрый монтаж и удобное обслуживание
  • оснащается системой контроля и управления (СКУ) и системой автоматизированного управления технологическими процессами (АСУ ТП) в режиме реального времени
  • гарантийное сервисное обслуживание
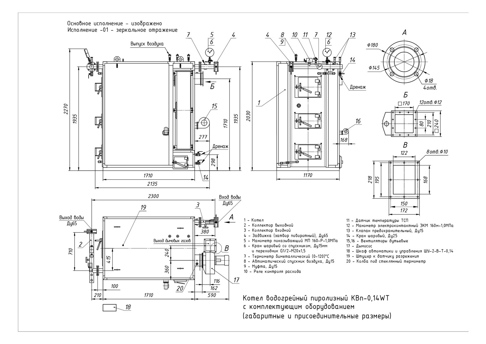
Котел водогрейный пиролизный КВп-0,3WT (габ. и присоед. размеры, комплектация)
Технические характеристики котлов водогрейных пиролизных КВпТехнические характеристики КВ-0,5Т; КВ-1

Котел водогрейный пиролизный КВп-0,3WT (габ. и присоед. размеры, комплектация)

Технические характеристики котлов водогрейных пиролизных КВпТехнические характеристики КВ-0,5Т; КВ-1

Made on
Tilda