Водогрейный котел (газовое/жидкое топливо) - 3,0Г

Номинальная теплопроизводительность 
  • 3,0 МВт (газ, жидкое топливо)
  • 2,0 МВт (мазут)

Расход топлива, не более:
  • газ (Q=8000 ккал/м3) — 350,5 м3/ч
  • жидкое топливо (Q=9800 ккал/кг) — 292,5 кг/ч
  • мазут(Q=9650 ккал/кг при 0ºС) кг/ч — 194,0 кг/ч

Температура воды:
  • минимальная на входе — 70ºС
  • максимальная на выходе — 95/115/130ºС

Рабочее давление — 0,6/0,8/0,9 МПа

КПД (по результатам испытаний):
  • на газовом топливе – 95%
  • на жидком топливе – 93,5%
  • на мазуте – 91%

Отличительные преимущества:
  • высокая эксплуатационная готовность и надежность
  • быстрая окупаемость
  • быстрый монтаж и удобное обслуживание
  • оснащается системой контроля и управления (СКУ) и системой автоматизированного управления технологическими процессами (АСУ ТП) в режиме реального времени
  • гарантийное сервисное обслуживание
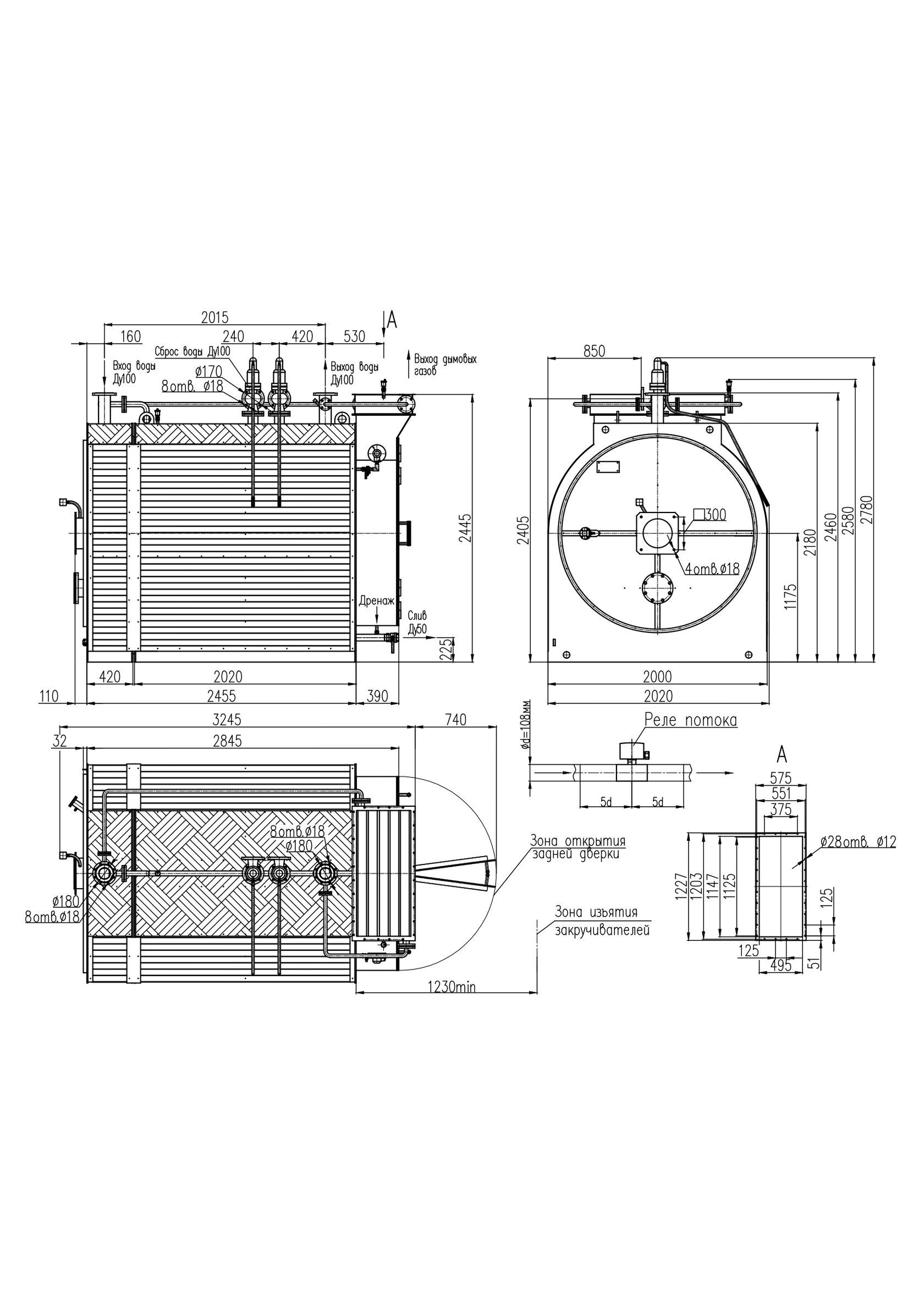
Габаритные и присоединительные размеры котла КВ-3,0Г
Технические характеристики КВ-3,0Г; КВ-4,0; КВ-4,0-0,9

Габаритные и присоединительные размеры котла КВ-3,0Г

Технические характеристики КВ-3,0Г; КВ-4,0; КВ-4,0-0,9

Made on
Tilda