Трехходовой жаротрубный котел IGNIS S от 8,0 до 10,0 МВт (КВа-Г)

Вид топлива: природный газ ГОСТ 5542, дизельное топливо ГОСТ 305

Расчетный срок службы: 20 лет на природном газе.

Базовый комплект поставки: котел, эксплуатационная документация, дополнительная комплектация (по согласованию с заказчиком).
Характеристики
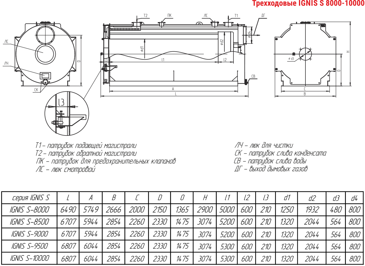
Габаритный чертеж
Автоматика
Руководство по эксплуатации

Характеристики

Габаритный чертеж

Автоматика

Котловая автоматика LOGICA STD


Комплект автоматики LOGICA STD предназначен для контроля и управления работой жаротрубного котла, работающего на газовом/жидком топливе.
скачать руководство по эксплуатации >>

Руководство по эксплуатации

Made on
Tilda